Ваш город - Ижевск,
угадали?

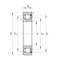
Подшипник INA SL182976 TB-C3

Артикул:
2895
Вес:
0
кг.
Под заказ
Количество:
  • Внешний D (мм)
    520
  • Внутренний d (мм)
    380
  • Ширина В (мм)
    82
Есть вопросы?
Мы готовы на них ответить!