Ваш город - Ижевск,
угадали?

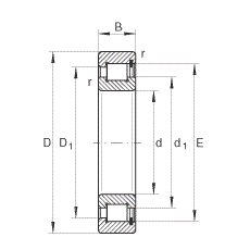
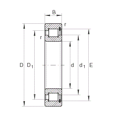
Подшипник INA SL182932 B-XL-C3

  • Внешний D (мм)
    220
  • Внутренний d (мм)
    160
  • Ширина В (мм)
    36
Есть вопросы?
Мы готовы на них ответить!