Ваш город - Ижевск,
угадали?

Подшипник INA SL182916 B-XL-C3

Артикул:
2890
Вес:
0
кг.
Под заказ
Количество:
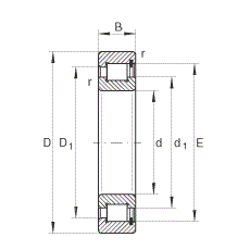
  • Внешний D (мм)
    110
  • Внутренний d (мм)
    80
  • Ширина В (мм)
    19
Есть вопросы?
Мы готовы на них ответить!