Подшипник INA SL045013 PP

Артикул:
2904
Вес:
0
кг.
Под заказ
Количество:
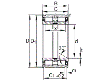
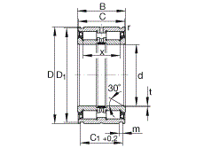
  • Внешний D (мм)
    100
  • Внутренний d (мм)
    65
  • Ширина В (мм)
    46
Есть вопросы?
Мы готовы на них ответить!