Подшипник INA SL045005 PP

Артикул:
2902
Вес:
0
кг.
Под заказ
Количество:
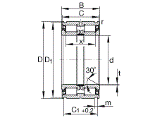
  • Внешний D (мм)
    47
  • Внутренний d (мм)
    25
  • Ширина В (мм)
    30
Есть вопросы?
Мы готовы на них ответить!